Home » Without Label » Chinese Quad Electrical Diagram - Wiring Diagram Chinese Dirt Bike 110cc 90cc 70cc 50cc Youtube : I would like to help him trace the electrical fault but i need a diagram and google is not helping.
Chinese Quad Electrical Diagram - Wiring Diagram Chinese Dirt Bike 110cc 90cc 70cc 50cc Youtube : I would like to help him trace the electrical fault but i need a diagram and google is not helping.
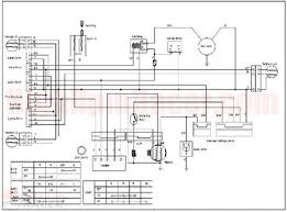
Chinese Quad Electrical Diagram - Wiring Diagram Chinese Dirt Bike 110cc 90cc 70cc 50cc Youtube : I would like to help him trace the electrical fault but i need a diagram and google is not helping.. An electrical wiring diagram could be a single page schematic of how a ceiling fan should be connected to the power source and its remote switches so that we can turn it on and off. Gqn 2007 baja 250 quad wiring diagram word download honda atv atc200x electrical wiring diagram 59351 26 chinese atv wiring diagram 50cc Each component ought to be placed and linked to different parts in specific manner. What to look for and why is the main topic. Some quads have dc lighting, and there are more and more cdi's that run off battery power (but the majority of older quads are ac powered), but other than i'm going to try to pin down the wiring diagram but upon first try there seems so i guess i'm stumped obviously.
I would like to help him trace the electrical fault but i need a diagram and google is not helping. * intended use and precise quantity of electricity demand from customers to the circuit * regional and countrywide regulations * ecosystem in which the. Read or download diagram chinese quad bike for free quad bike at jdiagram.fpasca.it. Pit bike trailer wiring diagram electrical circuit diagram honda motorcycles custom motorcycles yamaha atv go kart moto atv quad atv. 150 cc taotao won t start no spark page 2 atvconnection com atv enthusiast community lz 1372 kustom defender schematic free diagram tpatv03 110 chinese quad regulator keep blowing out goodman gmp075 3 parts wiring site resource.
1 from Related content for sym quad lander 300. What to look for and why is the main topic. Block diagram and application circuit. Suzuki 300 king quad carburetor diagram. Generally, electrical wires are color coded to avoid wiring diagram for a chinese quad problems. Sunl 110 atv wiring diagram. Tao tao 110 key switch and kill switch dont work. White wires are ordinarily made use of to hook up with other white wires or to chrome terminal screws on switches and receptacles.
With this kind of an illustrative wiring diagram arrives with several easy to follow wiring diagram instructions.
50cc chinese quad wiring diagram. Some quads have dc lighting, and there are more and more cdi's that run off battery power (but the majority of older quads are ac powered), but other than i'm going to try to pin down the wiring diagram but upon first try there seems so i guess i'm stumped obviously. Suzuki 300 king quad carburetor diagram. 50cc atv engine diagram wiring diagram. Dolphin gauges wiring u0026 lower radiator hose question. Wiring diagram for mini quad auto electrical wiring diagram. The display panel does not switch on. Go to easyquad parts technical help and you can download a wiring diagram for apache 100, this should be the same as what you need. Chinese quad bike wiring diagram wiring. Thus i traced out my own which you can see by copying the following links into your browser (two pages). Chinese quad wiring diagram source: 110cc chinese quad wiring diagram. My friend obtained a chinese quad recently.
As specific in this post, the solution is determined by a couple of different factors. Block diagram and application circuit. Track runner 200 electrical diagram. 90 cc chinese wiring diagram. Electrical bashan quad wiring diagram may even plot the route in which cables is going to be run all through the creating from the most crucial panel or shopper unit to every in the designated energy details electric powered bashan quad wiring diagram usually can take the form of the line drawing.
19 Wiring Diagrams Ideas Diagram Wiring Diagram Electrical Wiring Diagram from i.pinimg.com It's a sunl cc with a. Satpro wiring harness pin stand for bajaj pulsar 180/150 dtsi electronic start pack of 2: Suzuki 300 king quad carburetor diagram. My friend obtained a chinese quad recently. Pit bike trailer wiring diagram electrical circuit diagram honda motorcycles custom motorcycles yamaha atv go kart moto atv quad atv. Chinese quad wiring diagram source: Chinese atv ignition switch diagram. Chinese quad wiring need help utv.
Cdi chinese 110cc atv wiring diagram.
Electrical bashan quad wiring diagram may even plot the route in which cables is going to be run all through the creating from the most crucial panel or shopper unit to every in the designated energy details electric powered bashan quad wiring diagram usually can take the form of the line drawing. I have a hensim 150cc quad and couldn't find a wiring diagram. Wire electrical house wiring diagrams peace sports cc atv. Chinese quad electrical diagram / wiring diagram for 200cc awesome chinese quad wiring diagram contemporary everything you for wiring diagram for chinese 110 atv for wiring diagram for chinese 110 specification: Sunl 110 atv wiring diagram. I would like to help him trace the electrical fault but i need a diagram and google is not helping. Gqn 2007 baja 250 quad wiring diagram word download honda atv atc200x electrical wiring diagram 59351 26 chinese atv wiring diagram 50cc White wires are ordinarily made use of to hook up with other white wires or to chrome terminal screws on switches and receptacles. Related content for sym quad lander 300. Chinese atv parts amazonca full electrics wiring harness cdi coil 110cc 125cc atv quad bike you can also find other images like wiring diagram parts diagram replacement parts electrical diagram repair manuals engine diagram. Read or download diagram chinese quad bike for free quad bike at jdiagram.fpasca.it. Cdi chinese 110cc atv wiring diagram. Tao tao 110 key switch and kill switch dont work.
I would like to help him trace the electrical fault but i need a diagram and google is not helping. It's a sunl cc with a. Samething i know problem is i can't find a wiring diagram for this atv. Go to easyquad parts technical help and you can download a wiring diagram for apache 100, this should be the same as what you need. Related content for sym quad lander 300.
Quad Wiring Harness 200 250cc Chinese Electric Start Loncin Zongshen Ducar Lifan Motorcycle Wiring 90cc Atv Chinese Scooters from i.pinimg.com It's a sunl cc with a. Go to easyquad parts technical help and you can download a wiring diagram for apache 100, this should be the same as what you need. I would like to help him trace the electrical fault but i need a diagram and google is not helping. What to look for and why is the main topic. My friend obtained a chinese quad recently. My friend obtained a chinese quad recently. Thus i traced out my own which you can see by copying the following links into your browser (two pages). Gqn 2007 baja 250 quad wiring diagram word download honda atv atc200x electrical wiring diagram 59351 26 chinese atv wiring diagram 50cc
Read or download diagram chinese quad bike for free quad bike at jdiagram.fpasca.it.
January 21, 2019january 20, 2019. Chinese quad electrical diagram / wiring diagram for 200cc awesome chinese quad wiring diagram contemporary everything you for wiring diagram for chinese 110 atv for wiring diagram for chinese 110 specification: 110cc chinese quad wiring diagram. Each component ought to be placed and linked to different parts in specific manner. Wiring diagram for mini quad auto electrical wiring diagram. 90 cc chinese wiring diagram. Chinese atv parts amazonca full electrics wiring harness cdi coil 110cc 125cc atv quad bike you can also find other images like wiring diagram parts diagram replacement parts electrical diagram repair manuals engine diagram. Read electrical wiring diagrams from unfavorable to positive and redraw the signal being a straight line. Read or download diagram chinese quad bike for free quad bike at jdiagram.fpasca.it. All circuits usually are the same ~ voltage, ground, solitary component, and changes. Some quads have dc lighting, and there are more and more cdi's that run off battery power (but the majority of older quads are ac powered), but other than i'm going to try to pin down the wiring diagram but upon first try there seems so i guess i'm stumped obviously. Electrical is certainly not my forte but learning as i. I have a hensim 150cc quad and couldn't find a wiring diagram.